PSA

SID 803 SIEMENS

image 1
image 2

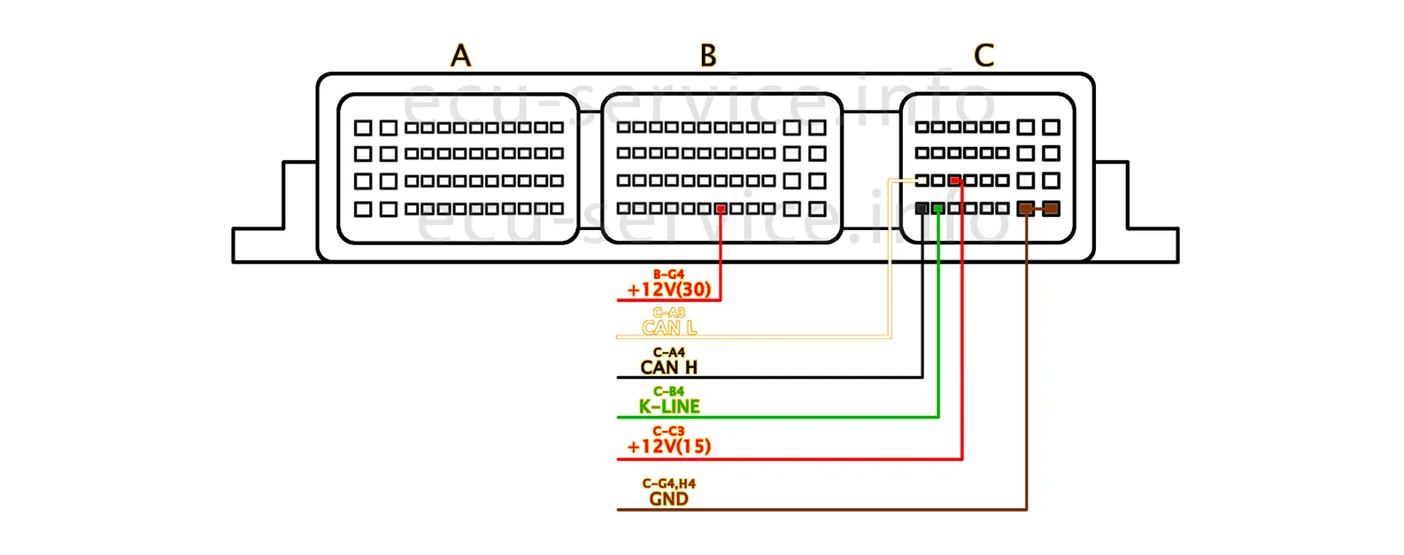
CONNECTION

Upload section

IMMO OFF

The emulator automatically recognizes the brand and the type of the engine ECU. 

It does not require the picking of any jumpers, which is what differentiates it amongst other emulators!

BUY NOW

STEP 1

STEP 2

Please write PIN code to emulator eeprom according example: